DELTA GAS SERVICE SRL
BOURDON TUBE PRESSURE GAUGES, WITH GLYCERINE FILLING
BOURDON TUBE PRESSURE GAUGES, WITH GLYCERINE FILLING
radial connection, DN 63-100 (mod. MG 63-100 RA)
rear connection, DN 63 (mod. MG 63 PA)
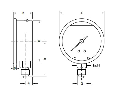
DIMENSIONS AND WEIGHTS
|
MOD. |
D |
G |
C |
to |
b |
h | p | WEIGHT |
| MG 63 RA | 68mm | G 1/4" | 62mm | 11mm | 29mm | 53mm | 5mm | 203 g |
| MG 100 RA | 105mm | G 1/2" | 99mm | 12.5mm | 33mm | 84mm | 5mm | 575 g |
| MG 63 PA | 68mm | G 1/4" | 62mm | 24mm | 29mm | 53mm | 5mm | 216 g |
APPLICATIONS
Manometers particularly suitable for measuring
pulsating, rapidly fluctuating pressures, or in the presence of
vibrations. Shock resistant. Suitable for all liquid fluids
or gaseous as long as they are not highly viscous, crystallizing or
corrosive for copper and tin alloys
MAIN SECTORS OF USE
- hydraulics (systems and equipment)
- technical industrial equipment
- pressure washers
- agriculture and livestock farming
- means of transport
- compressors
REGULATORY REFERENCES
- EN 837-1
accuracy class 2.5
- EC directive 2014-68 PED (if full scale <200 bar)
- degree of protection IP65 according to EN 60529
LIMITS OF USE
Temperature
On the body of the pressure gauge -40 ÷ +70 °C
Fluid under pressure max 90 °C
Pressures
Up to 3/4 of full scale value for static pressures
Up to 2/3 of full scale value for fluctuating pressures
Up to full scale value for short periods
Fluids
Liquids or gases not corrosive to copper alloys, not
crystallizing, not highly viscous
Not suitable for oxygen
CONSTRUCTION FEATURES
- polished AISI 304 stainless steel case
- glass retaining ring in polished AISI 304 stainless steel
stapled to the case with a gasket for watertightness
- shatterproof polycarbonate glass
- filling liquid: 99.7% bidistilled glycerine
- white dial in pre-painted aluminum
- two-color graphics: double bar scale (in black) + psi
(in red)
- aluminum index
- brass fitting
- "C" shaped Bourdon spring in copper alloy for pressures of
full scale up to 40 bar, bronze spiral spring
phosphorous for higher pressures
- High sensitivity movement in brass alloy watchmaking
(OT59)
- welding: in tin alloy up to 40 bar, in alloy
silver for higher pressures
Couldn't load pickup availability
