DELTA GAS SERVICE SRL
BOURDON TUBE PRESSURE GAUGES, RADIAL CONNECTION
BOURDON TUBE PRESSURE GAUGES, RADIAL CONNECTION
Standard version DN 40–50–63
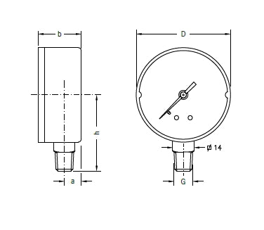
DIMENSIONS AND WEIGHTS
|
MOD. |
D |
G |
to |
b |
h |
WEIGHT |
| M 50 RP | 52mm | R 1/4" | 11mm | 28mm | 45mm | 72 g |
| M 63 RP | 62mm | R 1/4" | 11mm | 28mm | 50mm | 88 g |
| M 80 RP | 80mm | R 3/8" | 11mm | 28mm | 62.5 mm | 128 g |
| M 100 RM | 100mm | R 1/2" | 10mm | 30 mm | 72.5 mm | 242 g |
APPLICATIONS
General purpose standard pressure gauges for measurement
of the pressure of liquid or gaseous fluids as long as they do not
highly viscous, crystallizing or corrosive for alloys
copper and tin.
MAIN SECTORS OF USE
- plumbing and heating systems and equipment
- heating systems
- pneumatics and hydraulics
- industrial automation
- technical industrial equipment
REGULATORY REFERENCES
- EN 837-1
accuracy class 2.5
- EC directive 2014-68 PED
- degree of protection IP31 according to EN 60529
LIMITS OF USE
Temperature
On the body of the pressure gauge -40 ÷ +70 °C
Fluid under pressure max 90 °C
Pressures
Up to 3/4 of full scale value for static pressures
Up to 2/3 of full scale value for fluctuating pressures
Up to full scale value for short periods
Fluids
Liquids or gases not corrosive to copper alloys, not
crystallizing, not highly viscous
Not suitable for oxygen
CONSTRUCTION FEATURES
- shockproof ABS case
- highly transparent methacrylate glass
- white dial in ABS (DN 50 and 63) or aluminum
pre-painted (DN 40)
- two-color graphics: double bar scale (in black) + psi
(in red)
- black plastic index
- brass fitting
- "C" shaped Bourdon spring in copper alloy for pressures of
full scale up to 40 bar, bronze spiral spring
phosphorous for higher pressures
- movement in brass alloy watchmaking (OT59)
Couldn't load pickup availability
